§ 6. Методика конструирования учебного лабораторного эксперимента по элементарному курсу механики
   
   Демонстрация методики конструирования учебного лабораторного эксперимента по элементарному курсу механики в экспериментальном обучении студентов проводилась на конкретном примере.
   В качестве сюжета, лежащего в основе экспериментальной установки, рассматривалось
равноускоренное движение тела по горизонтальной поверхности, без учета силы сопротивления, под действием падающего груза.
   Чтобы освоить методику конструирования лабораторного эксперимента, необходимо выполнить приведенное ниже
задание проблемно - программированного типа.
РАБОТА ПРАКТИКУМА ПО МЕТОДИКЕ КОНСТРУИРОВАНИЯ
ШКОЛЬНОГО ЛАБОРАТОРНОГО ЭКСПЕРИМЕНТА
Ц Е Л Ь Р А Б О Т Ы
   В вашем распоряжении имеется некоторый набор приборов и материалов.
   Ориентируясь на него, вы должны разработать содержание лабораторного эксперимента, которое в различных условиях можно было бы предлагать учащимся с различным уровнем подготовки по физике, различными познавательными способностями.
   Лабораторные работы могут требовать различного времени для их выполнения, предполагать различный уровень самостоятельности учащихся.
   Вы, в свою очередь, кроме собственно методической части, должны уметь собирать и налаживать экспериментальную установку, выполнять все виды заданий, предназначенных для учащихся.
ПРИБОРЫ И МАТЕРИАЛЫ ДЛЯ СБОРКИ ЭКСПЕРИМЕНТАЛЬНОЙ УСТАНОВКИ
    1. Легкоподвижная тележка.
    2. Монорельс с блоком.
    3. Нить.
    4. Набор грузов.
    5. Легкое ведерко.
    6. Песок.
    7. Весы с разновесами.
    8. Динамометр Бакушинского.
    9. 4 штатива.
   10. Выключатели с нормально разомкнутыми и нормально замкнутыми контактами.
   11. Счетчик-секундомер электронный.
   12. Лента измерительная.
З А Д А Н И Я
   1. С помощью предложенных приборов и материалов соберите установку, на которой можно было бы продемонстрировать явление движения тела по горизонтальной поверхности под действием падающего груза без учета сил сопротивления.
   В случае затруднения обратитесь к указаниям и схематическому рисунку
(пояснение 1).
   2. Соберите установку для измерения времени движения тележки по горизонтальной поверхности.
   В случае затруднения обратитесь к указаниям и схематическому рисунку
(пояснение 2).
   3. Запишите уравнения для ускорения движения тележки, ее скорости, перемещения в любой момент времени.
   Для этого математически опишите явление движения тележки под действием падающего груза.
   Математическое описание проведите в соответствии с последовательностью действий по решению основной задачи механики. Воспользуйтесь алгоритмическими предписаниями по решению задач по динамике и кинематике.
   Последовательность действий по решению основной задачи механики вы можете найти в
пояснении 3.
   Алгоритмические предписания по решению задач по динамике - в
пояснении 4;
   по кинематике - в
пояснении 5;
   математическую модель движения тела по горизонтальной поверхности под действием падающего груза - в
пояснении 6.
   4. Перечислите величины, входящие в полученные вами уравнения и характеризующие изучаемое явление.
   В случае затруднения обратитесь к
пояснению 7.
   5. Полагая одну из величин, входящих в полученные вами уравнения, за неизвестную, задайте численные значения остальных величин. Для этого произведите необходимые измерения. Составьте перечень физических задач, в требовании к которым отражалась бы необходимость определения значения физической величины.
   Таблицы с вариантами искомых величин вы найдете в
пояснении 8, а примерные тексты физических задач в
пояснении 9.
   6. Составьте соответствующий перечень учебных экспериментальных заданий для учащихся по определению каждой из величин, входящих в уравнение движения тела.
   Пример задания можно посмотреть в
пояснении 10.
   7. Рассмотрите, зависимости между какими величинами можно изучить на собранной вами установке?
   Ответ на вопрос - в
пояснении 11.
   8. Составьте перечень экспериментальных заданий по изучению названных зависимостей. Примеры - в
пояснении 12.
   9. Вспомните, в чем заключаются различные виды ориентировок в заданиях, какова их роль в формировании действия?
   В случае затруднения обратитесь к
пояснению 13.
   10. Скажите, в чем будут проявляться различные виды ориентировок при выполнении экспериментальных заданий?
   В случае затруднения обратитесь к
пояснению 14.
   11. Составьте по одной инструкции для учащихся, в основе которых лежали бы разные виды ориентировок.
   Пример инструкции конкретного вида, в основе которой лежит ориентировочная основа второго типа, содержится в
пояснении 15.
   Примерные варианты инструкций обобщенного характера содержатся в
пояснении 16.
   12. Выполните работы согласно составленным инструкциям и оформите их в соответствии с требованиями, предъявляемыми учащимся.
Пояснение 1
   Указания к сборке экспериментальной установки
   Для сборки установки закрепите горизонтально расположенный монорельс с блоком на двух штативах.
   Установите тележку на монорельс. Слегка наклоняя монорельс, расположите его так, чтобы сила сопротивления, возникающая при движении тележки, была скомпенсирована составляющей сил тяжести и реакции со стороны опоры.
   Прикрепите к тележке нить и соедините ее с перегрузком. Перебросьте нить через блок, предварительно закрепив тележку у основания монорельса с помощью держателя.
   К концу монорельса подвесьте металлический стержень с надетым на него подвижным столиком, позволяющим задерживать перегрузок в том или ином месте пути (для определения мгновенной скорости движения тележки).
Пояснение 2
Указания к сборке установки для измерения времени
   Для измерения времени движения тележки на определенном участке пути соберите цепь согласно схеме.
 |
| выключатель с НО-контактами |
электронный секундомер |
выключатель с НЗ-контактами |
   Выключатели относительно монорельса должны быть расположены так, чтобы рычаг НО-контактов в рабочем состоянии препятствовал движению тележки, а при замыкании их рукой, освобождал для нее путь.
   НЗ-контакты должны размыкаться тележкой, ударяющейся о соединенный с ними рычаг.
Пояснение 3
Решение основной задачи механики
   Основная задача механики заключается в нахождении положения тела (его координат) в любой наперед заданный момент времени.
   Для ее решения необходимо знать начальные условия движения: начальные координаты, начальную скорость; перемещение за время движения.
   Вычисление перемещения требует знания скорости, а скорость определяется через ускорение.
   Ускорение определяется из второго закона Ньютона, через силу и массу.
   Сила, в свою очередь, зависит от координат, либо от скорости.
   Таким образом, последовательность действий, ведущих к решению основной задачи механики, может быть представлена следующим образом (для одномерного случая):
Пояснение 4
Алгоритмическое предписание для решения задач по динамике
   1. Сделайте схематический рисунок, иллюстрирующий рассматриваемое явление.
   2. Выберите инерциальную (неинерциальную) систему отсчета.
   3. Выберите для каждого тела, участвующего в движении, направления для проецирования сил и ускорений.
   4. Изобразите все силы, действующие на каждое из тел, участвующих в движении.
   5. Изобразите на чертеже необходимые кинематические характеристики движения: начальные, текущие, конечные координаты, скорости, ускорения тел.
   6. Запишите второй закон Ньютона для каждого из движущихся тел в векторной форме:
   7. Перепишите уравнения второго закона Ньютона в скалярной форме в проекциях на выбранные направления: F
x = ma
x , F
y = ma
y
   8. Решите полученную систему уравнений относительно ускорения движения тел с учетом допущенных идеализаций.
   9. Оцените реальность полученного выражения.
   10. В случае сложности алгебраического выражения, проверьте его правильность с помощью наименований.
   11. Подставьте в алгебраическое выражение численные данные.
Пояснение 5
Алгоритмическое предписание для решения задач по кинематике
   1. Сделайте схематический рисунок, иллюстрирующий рассматриваемое явление.
   2. Выберите систему отсчета, в которой Вы будете рассматривать движение тел:
   а) определите начало отсчета времени;
   б) выберите тело отсчета;
   в) свяжите с телом отсчета систему координат.
   3. Изобразите на чертеже необходимые кинематические характеристики движения: начальные, текущие, конечные координаты, скорости, ускорения, перемещения каждого из движущихся тел.
   4. Запишите основное уравнение движения для каждого из движущихся тел в координатной форме или, в зависимости от вопроса, уравнения для скоростей движения тел с учетом относительных направлений кинематических характеристик. В случае необходимости запишите дополнительные уравнения.
   5. Решите полученные уравнения относительно искомой величины.
   6. Оцените реальность полученного выражения.
   7. В случае сложности алгебраического выражения, проверьте его правильность с помощью наименований.
   8. Подставьте численные значения величин в алгебраическое выражение.
Пояснение 6
Математическая модель движения тела по горизонтальной поверхности под действием
падающего груза без учета сил сопротивления
   Движение тел будем рассматривать в неподвижной относительно Земли системе отсчета. Таким образом, все силы, действующие на тело, будут являться силами взаимодействия.
   Для тележки свяжем начало координат с той точкой, где находится ее центр масс в момент начала движения.
   Для перегрузка начало координат свяжем с положением его центра масс в тот же момент времени.
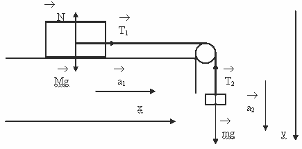
   Направления для проецирования сил и ускорений выберем так, как изображено на рисунке.
   Для тележки: T
1+N
1+mg=ma
1
   Для перегрузка: mg+T
2=ma
2
   Будем считать, что нить нерастяжима и m
нити = О, тогда:
   T
1=T
2=T, a
1=a
2=a
   x:T=Ma
   y:Mg-N=0
   y:mg-T=ma      a=mg/(m+M)
   Для нахождения мгновенной скорости движения в момент времени t воспользуемся уравнением v = v
0 + at.
   Так как v
0 = 0, то v/t=mg/(m+M)
   Связь перемещения тележки и времени движения при равноускоренном движении (x
0 = 0, v
0 = 0), выражается уравнением:
   
   Так же можно выразить связь ускорения, перемещения и скорости, соответствующей этому перемещению:
   
Пояснение 7
| Уравнения,описывающие сюжет |
Условные обозначения |
Величины, характеризующие движение тележки по горизонтальной поверхности без учета сил сопротивления под действием падающего груза |
| v/t=mg/(m+M) |
A |
m |
M |
g |
t |
v |
  |
| 2S/t2=mg/(m+M) |
B |
m |
M |
g |
t |
  |
S |
| v2/2S=mg/(m+M) |
C |
m |
M |
g |
  |
v |
S |
Пояснение 8
Известные и неизвестные величины, входящие в уравнения движения тележки
Вариант А
| Известные величины |
Искомая величина |
| m |
M |
g |
t |
  |
  |
v |
| m |
M |
g |
  |
v |
  |
t |
|   |
M |
g |
t |
v |
  |
m |
| m |
  |
g |
t |
v |
  |
M |
Вариант B
| Известные величины |
Искомая величина |
| m |
M |
g |
t |
  |
  |
S |
| m |
M |
g |
  |
  |
S |
t |
|   |
M |
g |
t |
  |
S |
m |
| m |
  |
g |
t |
  |
S |
M |
Вариант B
| Известные величины |
Искомая величина |
| m |
M |
g |
  |
  |
S |
v |
| m |
M |
g |
  |
v |
  |
t |
|   |
M |
g |
  |
v |
S |
m |
| m |
  |
g |
  |
v |
S |
M |
Пояснение 9
Примеры текстов физических задач, составленных на основе описания явления
движения тележки под действием падающего груза без учета сил сопротивления
   А 1: Тележка массой М г движется под действием груза массой m г. Определить, какую скорость приобретет тележка через t с движeния? Начальная скорость тележки равна нулю.
   А 2: Тележка массой М г движется под действием груза массой m г. Определить, через какое время тележка приобретет скорость v м/с? Начальная скорость тележки равна нулю.
   А 3: Под действием груза какой массы должна двигаться тележка массой М г, чтобы через t с приобрести скорость v м/с? Начальная скорость тележки равна нулю.
   А 4: Тележка движется под действием груза массой m г и через t с приобретает скорость v м/с. Какова масса тележки? Начальная скорость тележки равна нулю.
   В 1: Тележка массой М г движется под действием груза массой m г. Определить перемещение тележки за две секунды ее движения. Начальная скорость тележки равна нулю.
Пояснение 10
Пример текста экспериментального задания для учащихся по определению физической
величины, входящей в уравнение движения тела под действием падающего груза
без учета сил сопротивления
   А 1 (Э): Определите, какую скорость приобретет тележка, начавшая движение из состояния покоя под действием данного Вам падающего груза через 2 секунды своего движения. Расчеты проверьте экспериментально.
Пояснение 11
Изучение зависимостей между физическими величинами на собранной лабораторной установке
   Собранная лабораторная установка позволяет изучить зависимости, характерные для равноускоренного движения: между скоростью v, приобретаемой при движении тела в течение времени t и временем t, между перемещением S и временем t:
   v=v
0+at, ( v = at ) S=mgt
2/2(m+M).
Пояснение 12
Примеры экспериментальных заданий по исследованию зависимостей
между физическими величинами
   1. На предложенной Вам экспериментальной установке исследуйте зависимость между скоростью, приобретаемой телом за время движения под действием падающего груза и временем ее движения.
   2. На предложенной Вам экспериментальной установке исследуйте зависимость между перемещением, совершаемым тележкой при ее движении под действием падающего груза, и временем движения.
Пояснение 13
Виды ориентировок в заданиях
   Решающую роль в формировании действия играет его ориентировочная основа. Полнота и правильность овладения ею определяет быстроту и качество формируемого действия и характер его исполнительной части.
   Первый тип ориентировки характеризуется своей неполнотой, ориентиры представлены в конкретном виде и выделяются самим учеником путем многих проб. Само действие формируется медленно, с большим количеством ошибок.
   Второй тип ориентировочной основы включает все условия, необходимые ученику для выполнения действия. Условие задается ученику в готовом виде, в конкретной форме, и формирование действия идет быстро и безошибочно.
   Ориентировочная основа третьего типа характеризуется тем, что имеет полный состав, ориентиры даны в обобщенном виде, характерном для целого класса явлений. Но при этом ориентировочная основа действия составляется самим учащимся с помощью общего метода, который ему дает учитель. Действию, сформированному на основе этого типа ориентировки, присущи быстрота и безошибочность формирования, большая устойчивость и широта переноса.
Пояснение 14
Применение различных видов ориентировки к выполнению экспериментальных заданий
   Ориентировочная основа первого типа заключается в том, что учащимся предъявляется одно из заданий без указания способов и последовательности его выполнения. Предварительно аналогичных заданий ученики не выполняли.
   Ориентировочная основа второго типа заключается в том, что кроме задания ученику дается подробная инструкция его выполнения. Инструкция носит конкретный характер и представляет детальный план осуществления отдельных операций, на которые разбивается задание.
   Ориентировочная основа третьего типа подразумевает предварительное обучение учащихся экспериментальным методам исследования, выделение в совместной с ними работе обобщенных планов выполнения экспериментальных заданий различных типов, умение пользоваться этими планами, конкретизировать их согласно условиям полученного задания.
Пояснение 15
Инструкция по выполнению экспериментального задания А1
(Определение скорости тележки через время t), в основе
которого лежит ориентировочная основа второго типа
   1. Соберите установку согласно рисунку и описанию (см. пояснение1).
   2. Соберите установку для измерения времени согласно рисунку и описанию (см. пояснение 2).
   3. Сделайте математическое описание явления движения тела по горизонтальной поверхности без учета сил сопротивления под действием падающего груза. Выразите ускорение движения тележки через скорость, приобретаемую ей к моменту времени t, и время. Решите уравнение относительно скорости.
   4. Определите значения всех величин, стоящих в правой части уравнения. Произведите необходимые измерения (в данном случае массы тележки и перегрузка).
   5. Подставьте численные значения всех величин в формулу: vt=mgt/(m+M)
   Получите значение скорости, приобретаемой к заданному моменту времени.
   Найдите абсолютное значение ошибки, возникающей в результате измерений:
   6. Определите, какое перемещение должна совершить тележка, чтобы приобрести полученное значение скорости. Воспользуйтесь для этого уравнением St=v
2(m+M)/2gm
   Найдите абсолютное значение ошибки
   7. Установите HO-контакты у начала монорельса, а HЗ- контакты на рассчитанном расстоянии S.
   Установите тележку так, чтобы в состоянии покоя ее удерживал лишь рычаг HO-контактов.
   Запустите тележку и секундомер путем отведения рычага HO-контактов в сторону.
   Снимите показания секундомера.
   В случае отклонения его показаний от заданных в условии, путем передвижения HЗ- контактов, экспериментально, путем проб, подберите расстояние S
эксперим., соответствующее заданному в условии времени движения тележки.
   Попадает ли найденное экспериментальное значение расстояния в расчетный интервал S = S
теоретич.±DS
теоретич. ?
   Если нет, определите, где могла быть допущена Вами ошибка?
   8. Для измерения мгновенной скорости v, приобретаемой тележкой к моменту времени t и при совершении ею перемещения S, установите ограничитель движения перегрузка на расстоянии x от того положения перегрузка, в котором он находится в начальный момент времени, когда тележка закреплена с помощью держателя у начала монорельса.
   Расстояние x должно равняться перемещению S тележки от ее начального положения до НО- контактов.
   HЗ - контакты установите на некотором расстоянии L от НО - контактов.
   Тележка, совершив перемещение S и приобретя при этом скорость v, ударится о рычаг HO - контактов, замкнет их и далее будет двигаться с постоянной скоростью.
   Секундомер, включившийся при ударе тележки о рычаг, будет работать в течение времени t до тех пор, пока не разомкнутся (также в результате удара тележкой) HЗ - контакты.
   9. Найдите значение средней скорости тележки на интервале L как v
э=L/t
   Найдите абсолютное значение ошибки при измерении скорости
Dv
э=v
эDL/L
   С учетом найденных погрешностей, сравните расчетное и экспериментальное значения скоростей тележки.
   10. Сделайте вывод.
Пояснение 16
Примерные варианты инструкций обобщенного характера при
использовании ориентировочной основы третьего типа
План проведения эксперимента по определению значения физической величины
   1. Математически опишите физическое явление, соответствующее условиям эксперимента и лабораторной установке.
   2. Решите полученное уравнение относительно искомой величины.
   3. Установите в полученной формуле известные и неизвестные величины.
   4. Определите способы нахождения неизвестных величин. Найдите эти величины.
   5. Определите численное значение искомой величины.
   6. Рассчитайте абсолютную и относительную погрешности.
   7. Проведите экспериментальную проверку полученного результата.
План проведения эксперимента по исследованию зависимости между
физическими величинами
   1. Определите, зависимость между какими величинами будет исследоваться в ходе эксперимента?
   2. Соберите экспериментальную установку.
   3. Если будет исследоваться зависимость между тремя и более величинами a, b, c, ..., то оставляя постоянными величины b, с, ... определите зависимость х = f(a).
   Затем, оставляя постоянными величины a, c, ..., определите зависимость х = f(b).
   4. Определите погрешности измерений и постройте с их учетом графики зависимостей, установленные в эксперименте.
   5. Учитывая точность измерений, сформулируйте выводы, отражающие установленные в эксперименте зависимости