§ 4. Эмпирический и теоретический подходы к конструированию лабораторного эксперимента по элементарному курсу физики
   
   Проведение поэлементного анализа логически завершенного раздела курса физики и систематизация полученного материала позволяет выделить в нем не только рассмотренный выше ряд видов знаний (величины, законы, теории и т.д.), но и построить некоторый перечень сюжетов, которые могут лечь в основу последующего конструирования лабораторных установок, выполняемых на этих установках лабораторных работ, а также системы физических задач.
   Рассмотрим для примера ряд сюжетов по элементарному курсу механики, на базе которых в рамках спецпрактикума нами осуществлялось обучение студентов физического факультета БГПУ принципам конструирования системы школьного лабораторного эксперимента.
Сюжеты для конструирования лабораторных установок по
элементарному курсу механики
| Словесное описание сюжета |
Схематический рисунок |
Уравнение,описывающее сюжет |
| Равномерное движение тела (бруска, тележки, шарика) по горизонтальной (или слегка наклоненной для компенсации силы трения) поверхности. |
 |
v=S/t |
| Равномерное вращение тела по окружности в горизонтальной плоскости |
 |
w=a/t |
| Равноускоренное движение тела (бруска, тележки, шарика) по наклонной плоскости. |
 |
a=2*S2/t |
| Равномерное движение связанных, уравновешивающих друг друга грузов в вертикальной плоскости. |
 |
v=S/t |
| Равноускоренное движение связанных, неуравновешивающих друг друга грузов в вертикальной плоскости. |
 |
m*g/(m+2*M)=2*S/t2 |
| Равноускоренное движение тела по горизонтальной поверхности (без учета силы трения) под действием падающего груза. |
 |
m*g/(m+M)=2*S/t2 |
| Равноускоренное движение тела по горизонтальной поверхности (с учетом силы трения) под действием падающего груза |
 |
(m-м*M)*g/(m+M)=2*S/t2 |
| Равноускоренное движение тела по наклонной плоскости (без учета силы трения) под действием падающего груза. |
 |
|(M*sin(a)-m)*g/(m+M)|=2*S/t2 |
| Равноускоренное движение тела по наклонной плоскости (с учетом силы трения) под действием падающего груза. |
 |
|(M*(sin(a)-м*cos(a))-m)*g/(m+M)|=2*S/t2 |
| Подъем тела на некоторую высоту с помощью шероховатой наклонной плоскости. |
 |
n=1/(м*ctg(a)+1) |
| Равномерное движение бруска по горизонтальной поверхности под действием горизонтально приложенной силы. |
 |
F=Fтр=м*m*g |
| Равномерное движение бруска по горизонтальной поверхности под действием силы, направленной под углом к горизонту |
 |
F=м*m*g/(sin(a)+м*cos(a)) |
| Равномерное движение бруска вверх вдоль наклонной плоскости под действием приложенной к нему силы. |
 |
F=m*g*(sin(a)+м*cos(a)) |
| Равномерное скольжение бруска вниз по наклонной плоскости. |
 |
м=tg(a) |
| Движение бруска по горизонтальной поверхности под действием силы упругости, уменьшающейся по линейному закону. |
 |
k*x2/2=м*m*g*S |
| Равномерное вращение тела по окружности в горизонтальной плоскости. Тело привязано к нити, пропущенной через трубку. Второй конец нити привязан к пружине динамометра или к другому телу. (Провисание нити мало). |
 |
F=4*п2*R*v2*m |
| Равномерное вращение тела по окружности в горизонтальной плоскости. Тело привязано к нити, другой конец которой неподвижно закреплен. Нить при движении описывает коническую поверхность. |
 |
m*g*tg(a)=m*(2*п*v*R)2/R |
| Упругий центральный удар шаров, подвешенных на нитях. |
 |
M*v2/2=m*u12/2+M*u22/2 M*v=m*u1+M*u2 |
| Неупругий центральный удар шаров, подвешенных на нитях. |
 |
2*g*H*m12/(m1+m2)2=2*g*h |
| Выстрел из баллистического пистолета под углом к горизонту. |
 |
(g*x2/2*v02*cos2(a))-x*tg(a)+y=0 |
| Выстрел из баллистического пистолета в брусок, подвешенный на нитях. Снаряд застревает в бруске. |
 |
m2v2/(m+M)2=g*S2/L |
| Растяжение пружины с помощью подвешиваемых к ней грузов. |
 |
F=f(x) |
| Колебания пружинного маятника. |
 |
 |
| Колебания нитяного маятника. |
 |
 |
| Падение двух тел с разных высот на равномерно вращающийся диск. |
 |
 |
   Естественно, перечень сюжетов, которые могут лечь в основу для конструирования лабораторных установок, на этом не ограничивается. Наряду с приведенными, можно рассматривать сюжеты, характеризующие состояние тела в движущемся вертикально с ускорением лифте; систему статических сюжетов: силы упругости, возникающие в балках, укосах, равновесие рычагов, плоских пластин и объемных тел; преобразования энергии, в частности, взаимообратные переходы потенциальной и кинетической, механической и электрической энергии.
   
Остановимся на примере сюжета, связанного с движением тела по наклонной плоскости и сконструируем на его основе серию экспериментальных заданий, которые можно было бы положить в основу различного типа инструкций по выполнению лабораторных работ.
   Конкретизируем сюжет:
деревянный брусок находится на деревянной поверхности, расположенной под углом к горизонту.
   При отсутствии силы тяги со стороны какого-то другого тела, на брусок действуют сила тяжести mg, сила реакции со стороны опоры N, сила трения F
тр. В общем случае, эти силы сообщают бруску ускорение a, направленное вниз вдоль наклонной плоскости:
   Или, в проекциях на координатные оси:
x: mg*sin(a)-Fтр=ma y:-mg*cos(a)+N=0
где:
Fтр=м*N =м*mg*cos(a)
   Решая совместно эти уравнения, получаем:
mg*sin(a)-м*mg*cos(a)=ma
   Окончательно:
g*(sin(a)-м*cos(a))=a
   Полученное уравнение описывает явление движения тела (в нашем случае - бруска) по наклонной плоскости, если на это тело не действует сила тяги со стороны другого тела.
   Для рассмотренного сюжета могут быть сформулированы следующие экспериментальные задания.
| Основание для формулировки экспериментальных заданий |
Примеры экспериментальных заданий для данного основания |
Брусок равномерно скользит вниз вдоль наклонной плоскости. Его ускорение равно нулю. Тогда: gsin(a)-мcos(a)=0;sin(a)=мcos(a);м=tg(a) |
Определить коэффициент трения скольжения дерева по дереву, не используя для этого динамометра. |
| Брусок равномерно скользит по плоскости, расположенной под углом к горизонту, равным нулю. При этом сила трения скомпенсирована силой тяги, приложенной параллельно плоскости. a=0,Fтр =мmg |
1. Определить коэффициент трения скольжения дерева по дереву. 2. Определить силу, которую необходимо приложить к телу, чтобы равномерно перемещать его по горизонтальной поверхности. |
Брусок равномерно скользит вверх вдоль наклонной плоскости. При этом плоскость расположена под таким углом к горизонту, что, Fтр=mg(sin(a)-мcos(a)),где:sin(a)=h/L. |
Определить значение силы тяги, которую следует приложить к бруску, чтобы равномерно поднимать его по наклонной плоскости, расположенной под углом к горизонту. |
Брусок равноускоренно движется вниз вдоль наклонной плоскости. При этом м>0;a> arctg(м);м=tg(a0);a=g(sin(a)-tg(a0)cos(a)). |
Определить ускорение движения бруска, соскальзывающего с наклонной плоскости. |
Тот же случай, что и предыдущий, но ускорение движения бруска выражается через другие кинематические величины, непосредственно измеряемые в эксперименте - перемещение S и время t:
 |
1. Определить перемещение бруска, скатывающегося с наклонной плоскости за заданное время. 2. Определить, за какое время брусок совершит заданное перемещение? |
   Аналогичным образом запишутся уравнения и будут сформулированы экспериментальные задания для случая движения по плоскости не бруска, а легкоподвижной тележки.
   При этом легкоподвижная тележка может быть изготовлена из того же бруска путем прикрепления к нему колес. Разница будет заключаться в том, что в исходном уравнении, описывающем этот процесс, коэффициент трения скольжения можно будет принять равным нулю: = 0.
   
Существенно, что для выполнения всех названных заданий требуется одна и та же экспериментальная установка.
   Очень схожей является и теоретическая часть лабораторных работ, построенных на основе этих экспериментальных заданий.
   Однако, логика рассуждений, последовательность действий при выполнении практической части работы несколько отличны друг от друга в каждом из вариантов работы.
   Добавим в экспериментальную установку еще один груз и опишем движение связанных тел.
   Как и в предыдущем случае, рассмотрим для этого силы, действующие на тела и запишем второй закон Ньютона для каждого из этих тел. Нить будем считать нерастяжимой, а ее массу равной нулю.
   Пусть, для определенности, брусок движется вверх вдоль наклонной плоскости.

   В проекциях на выбранные направления уравнения имеют вид:
   x:F
н-Mgsin(a)-F
тр=Ma, где F
тр=N
   y:N-Mgcos(a)=0
   y`:mg-F
н=ma
   Решая уравнения совместно, имеем: (M+m)a=(m-M(sin(a)+cos(a)))g.
   К перечисленному выше перечню экспериментальных заданий, для измененного таким образом сюжета, добавятся, например, такие задания:
   Определить массу груза m, который необходимо прикрепить к нити, переброшенной через блок и связанной с бруском массы М, чтобы брусок:
   а) двигался с заданным ускорением;
   б) совершал заданное перемещение за заданное время.
   Для тележки, движущейся по наклонной плоскости с пренебрежимо малым трением в соответствии с таким же сюжетом, уравнение будет иметь более простой вид: (M+m)a=(m-Msin(a))g.
   Формулировки же экспериментальных заданий практически не изменятся.
   Аналогичным образом можно выявить перечень и сформулировать экспериментальные задания для любых, как рассмотренных, так и не рассмотренных выше сюжетов. При этом формулировать задания можно как произвольным образом, так и соотнося формулировки с выделенными выше видами экспериментальных заданий.
   Конструируя содержание лабораторного эксперимента, учитель должен решать множество общепедагогических и методических задач.
   В частности, учителю необходимо обеспечить самостоятельность выполнения работ каждым учеником.
   
Самостоятельность должна обеспечиваться не репрессивными методами, не усилением надзора над процессом выполнения работ, а естественным образом, в идеале таким, чтобы вообще была снята потребность в контроле за самостоятельностью выполнения работ.
   При этом
уровень и содержание экспериментальных заданий должны соответствовать уровню развития и подготовки каждого отдельного ученика.
   Являясь заданиями развивающими,
экспериментальные задания должны быть посильными при их выполнении. В идеале, сказанное означает: сколько учеников, столько и заданий.
   В то же время, экспериментальные задания, предъявляемые ученикам, не могут быть произвольными. Во-первых, поскольку существует несколько видов значительно отличающихся по методологии видов экспериментальных работ, постольку естественным было бы
представить в системе лабораторного эксперимента все его виды. Во-вторых, поскольку внутри каждого вида эксперимента существует несколько методов его реализации, постольку
крайне желательно, чтобы ученик при выполнении различных работ познакомился с этими методами проведения эксперимента.
   Рассмотрим, каким может быть принцип отбора заданий при конструировании содержания учебного лабораторного эксперимента по элементарному курсу физики.
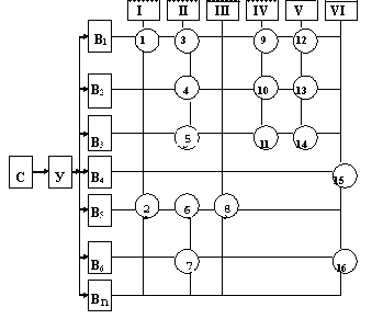
   Для наглядности этот принцип имеет смысл представить в виде схемы.
   
Схема строится путем формально-логического анализа сюжета, лежащего в основе экспериментальной установки.
   Таким образом, принцип отбора заданий для лабораторного эксперимента пока не является личностно ориентированным и
не содержит в себе собственно педагогической составляющей. Эта составляющая должна быть наложена на отобранные задания в ходе их дальнейшего педагогического анализа.
Рис. 4.1. Формально-логическая схема отбора заданий для
лабораторного эксперимента по абстрактному сюжету.
   С - сюжет, являющийся основой для конструирования экспериментальной установки.
   У - уравнение, описывающее данный сюжет.
   В1 - ВN - физические величины, входящие в уравнение У.
   I - VI - основные виды экспериментальных заданий:
   I - Изучение физических явлений, процессов, состояний физических объектов.
   II - Введение производной физической величины.
   III - Определение численного значения физической величины.
   IV - Определение численного значения физической постоянной.
   V - Исследование зависимостей между физическими величинами.
   VI - Изготовление или изучение прибора, механизма.
   1-16 - Экспериментальные задания для учащихся, сформулированные в соответствии с основными видами экспериментальных заданий в приложении к анализируемому сюжету.
   Рассмотрим на примере, как представленная схема может быть использована для отбора и формулировки экспериментальных заданий, которые лягут в дальнейшем в основу лабораторных работ по курсу элементарной механики.
   
Описание сюжета:
   Два груза одинаковой массы
M1 = M2 = M, связаны легкой и нерастяжимой нитью, которая переброшена через неподвижный блок.
   Масса блока и трение в его оси малы.
   На один из грузов положили перегрузок массой
m, после чего вся система начала равноускоренно двигаться и за время
t каждый из грузов совершил перемещение
S.
   
Уравнение, описывающее данный сюжет:mg/(2M+m)=2S/t2 .
   Величины, входящие в уравнение: m, M, g, S, t.
   Схема построения экспериментальных заданий по данному сюжету:
Рис. 4.2. Формально-логическая схема отбора заданий для
лабораторного эксперимента по конкретному сюжету.
Примеры экспериментальных заданий, формулируемых с
использованием приведенной схемы:
1 (I - B1-B5)
   Изучить характер движения неуравновешивающих друг друга грузов, связанных нитью, переброшенной через неподвижный блок.
2 (III - B1)
   Определить массу перегрузка m, который необходимо положить на один из уравновешивающих друг друга грузов, чтобы этот груз за t с совершил перемещение S см.
3 (III - B2)
   Определить массу одного из уравновешивающих друг друга грузов M, на котором лежит перегрузок известной массы m г, если за t с груз совершает перемещение S см.
4 (III - B4)
   Определить перемещение S, которое совершит один из уравновешивающих друг друга грузов массы M за время t, если на этот груз положить перегрузок массой m.
5 (III - B5)
   Определить время t, за которое один из уравновешивающих друг друга грузов массы M совершит перемещение S, если на этот груз положить перегрузок массой m.
6 (IV - B3)
   С помощью неуравновешивающих друг друга грузов, связанных нитью, переброшенной через неподвижный блок, определить численное значение ускорения свободного падения g.
7 (V - B4-B5)
   Исследовать зависимость между перемещением S и временем t движения тела с помощью неуравновешивающих друг друга грузов, связанных нитью, переброшенной через неподвижный блок.
8 (V - B4-B1)
   Исследовать зависимость перемещения S, совершаемого грузом с перегрузком за одно и то же время, от массы перегрузка m.
9 (V - B5-B1)
   Исследовать зависимость времени t одного и того же перемещения груза с перегрузком от массы перегрузка m.
10 (VI - B3)
   Имея в своем распоряжении неподвижный блок, легкую и нерастяжимую нить, набор грузов, линейку и секундомер, изготовьте установку, с помощью которой можно было бы определить численное значение ускорения свободного падения g. Произведите необходимые измерения и расчеты. Изучите, как работает предложенная вами установка, придумайте как можно больше способов ее практического применения и проиллюстрируйте некоторые из этих способов.
   Естественно, что не все задания, полученные путем формально-логического анализа сюжета, лежащего в основе экспериментальной установки, будут в дальнейшем реализованы в учебном процессе.
   Однако, значительное их количество позволит учителю представить в практикуме все типы экспериментальных заданий, составить индивидуальные варианты работ для всех учащихся класса.